1.表面無毛刺,材料和表面處理需環保
2.扭力要求:40-45(Kgf-cm)
3.壽命測試:打開5000次,每分鐘3-4次(一個來回為一次)衰減率 不大于25%;
4.出貨角度為0°
5.圖示為0°">

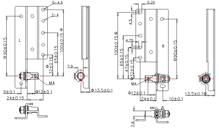
技術要求:
1.表面無毛刺,材料和表面處理需環保
2.扭力要求:40-45(Kgf-cm)
3.壽命測試:打開5000次,每分鐘3-4次(一個來回為一次)衰減率 不大于25%;
4.出貨角度為0°
5.圖示為0°






聯系電話